logo

کابل کنترل مکانیکی قرمز با کانکتور چنگالی و محدوده دمایی ۴۰- درجه سانتیگراد تا ۸۰ درجه سانتیگراد مناسب برای کاربردهای سنگین

کابل کنترل مکانیکی قرمز با کانکتور چنگالی و محدوده دمایی ۴۰- درجه سانتیگراد تا ۸۰ درجه سانتیگراد مناسب برای کاربردهای سنگین
امکانات گالری توضیحات محصول درخواست نقل قول
امکانات
مشخصات
Features: Custom Engineered Assembly
Color: Green,Black,Red
Port: Shanghai
Inner Cable: Multi-strand High-tensile Steel
Package: Wood Case / Carton / Bubble Film
Bus Model: China
Materia: As Per Requirements
Innermember: Nylon-covered Stainless Steel
برجسته کردن:

کابل کنترل مکانیکی قرمز با اتصال چنگالی,کابل کنترل مکانیکی سنگین,کابل کنترل مکانیکی مقاوم در برابر حرارت

,

Heavy duty mechanical control cable

,

Temperature resistant mechanical control cable

اطلاعات اولیه
نام تجاری: PHIDIX
Model Number: Mechanical Control Cable
پرداخت
توضیحات محصول

توضیحات محصول:

کابل کنترل مکانیکی یک راه حل بسیار قابل اعتماد و همه کاره است که برای پاسخگویی به طیف گسترده ای از کاربردهای صنعتی و تجاری طراحی شده است. این کابل که با دقت و دوام مهندسی شده است، حتی در محیط های چالش برانگیز عملکردی استثنایی را ارائه می دهد. این کابل با محدوده دمایی معمول از -65 درجه فارنهایت تا 230 درجه فارنهایت، عملکرد مداوم را هم در شرایط سرمای شدید و هم در شرایط گرمای بالا تضمین می کند و آن را برای استفاده در آب و هوای متنوع و محیط های پرتقاضا ایده آل می کند.

یکی از ویژگی های برجسته این کابل کنترل مکانیکی، مونتاژ مهندسی سفارشی آن است. هر کابل با دقت برای برآورده کردن الزامات خاص ساخته می شود و امکان راه حل های سفارشی را برای نیازهای عملیاتی منحصر به فرد فراهم می کند. چه به طول، استحکام یا پیکربندی خاصی نیاز داشته باشید، این کابل می تواند به صورت سفارشی طراحی شود تا عملکرد و کارایی بهینه را ارائه دهد. این رویکرد مهندسی سفارشی تضمین می کند که کابل در کاربرد مورد نظر خود بی عیب و نقص عمل می کند، خرابی را به حداقل می رساند و قابلیت اطمینان کلی سیستم را افزایش می دهد.

عضو داخلی کابل از فولاد ضد زنگ با روکش نایلون ساخته شده است که استحکام و مقاومت در برابر خوردگی فولاد ضد زنگ را با خواص محافظتی نایلون ترکیب می کند. این طراحی دوام، انعطاف پذیری و مقاومت برتر در برابر سایش و خراشیدگی را ارائه می دهد. روکش نایلون نه تنها هسته فولاد ضد زنگ را از آسیب های محیطی محافظت می کند، بلکه اصطکاک را نیز کاهش می دهد و حرکت مکانیکی صاف و کارآمد را تضمین می کند. این امر کابل را به ویژه برای کاربردهایی که نیاز به حرکت مکرر یا مداوم دارند، مانند سیستم های کابل کششی مکانیکی، مناسب می کند.

کدگذاری رنگی یکی دیگر از ویژگی های مهم این کابل کنترل مکانیکی است که در رنگ های سبز، مشکی و قرمز موجود است. این گزینه های رنگی به شناسایی و سازماندهی آسان در سیستم های مکانیکی پیچیده کمک می کند، خطاهای نصب را کاهش می دهد و فرآیندهای نگهداری را ساده می کند. رنگ های زنده و بادوام ظاهر خود را در طول زمان حفظ می کنند، حتی زمانی که در معرض عوامل محیطی سخت قرار می گیرند، و وضوح بصری طولانی مدت را تضمین می کنند.

این کابل کنترل مکانیکی که تحت استانداردهای مدل اتوبوس در چین تولید می شود، به اقدامات کنترل کیفیت دقیق و معیارهای صنعتی پایبند است. تعهد به کیفیت تضمین می کند که هر کابل عملکرد، قابلیت اطمینان و ایمنی مداوم را ارائه می دهد. مشتریان می توانند اطمینان داشته باشند که سرمایه گذاری آنها در این محصول ارزش پایدار را فراهم می کند و انتظارات عملیاتی را برآورده می کند یا فراتر از آن.

این محصول که به عنوان کابل کششی مکانیکی طراحی شده است، در انتقال نیروی مکانیکی در مسافت برتری دارد و آن را به یک جزء ضروری در مکانیزم های مختلف کنترل تبدیل می کند. چه در خودرو، ماشین آلات صنعتی، تجهیزات دریایی یا سایر سیستم های مکانیکی استفاده شود، کابل کنترل مکانیکی کنترل دقیق و پاسخگویی را فراهم می کند. ساختار قوی و مهندسی سفارشی آن را برای طیف گسترده ای از کاربردها سازگار می کند و کارایی و اثربخشی کلی عملیات مکانیکی را افزایش می دهد.

به طور خلاصه، کابل کنترل مکانیکی به عنوان یک انتخاب برتر برای هر کسی که به کابل کنترل بادوام، قابل اعتماد و قابل تنظیم نیاز دارد، برجسته است. تحمل دمایی گسترده، مونتاژ مهندسی سفارشی، عضو داخلی فولاد ضد زنگ با روکش نایلون و گزینه های رنگی زنده آن را به یک راه حل همه کاره و قابل اعتماد تبدیل می کند. این کابل که مطابق با استانداردهای بالا تحت مدل اتوبوس در چین تولید می شود، برای ارائه عملکرد عالی در محیط های مختلف پرتقاضا طراحی شده است. چه به عنوان کابل کششی مکانیکی و چه در سایر کاربردهای کنترلی استفاده شود، استحکام، انعطاف پذیری و دقت لازم را برای بهینه سازی موثر سیستم های کنترل مکانیکی فراهم می کند.


امکانات:

  • نام محصول: کابل کنترل مکانیکی
  • مناسب برای کاربردهای کنترل کششی مکانیکی
  • گزینه های بسته بندی: جعبه چوبی، کارتن، فیلم حباب دار
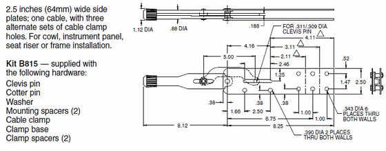
  • انواع اتصالات کابل موجود: مفصل کروی، چنگال، انتهای میله، و غیره.
  • عضو داخلی ساخته شده با فولاد ضد زنگ با روکش نایلون برای دوام
  • رنگ های موجود: سبز، مشکی، قرمز
  • بندر حمل و نقل: شانگهای
  • کابل کنترل مکانیکی با کیفیت بالا طراحی شده برای عملکرد قابل اعتماد

پارامترهای فنی:

بندر شانگهای
OEM بله
کابل داخلی فولاد با کشش بالا چند رشته ای
امکانات مونتاژ مهندسی سفارشی
محدوده دما -40 درجه سانتیگراد تا 80 درجه سانتیگراد
محدوده دمای معمول -65 درجه فارنهایت - 230 درجه فارنهایت
اتصال کابل مفصل کروی، چنگال، انتهای میله، و غیره.
بسته بندی جعبه چوبی / کارتن / فیلم حباب دار
اندازه اندازه استاندارد OEM یا سفارشی
شعاع خمش نصب شده تا 5 اینچ

کاربردها:

کابل کنترل مکانیکی PHIDIX یک راه حل همه کاره و قابل اعتماد است که برای پاسخگویی به نیازهای برنامه های مختلف کنترل مکانیکی طراحی شده است. این کابل که با یک کابل داخلی فولادی چند رشته ای با کشش بالا مهندسی شده است، استحکام و دوام استثنایی را تضمین می کند و آن را برای عملیات کنترل کششی مکانیکی دقیق و مداوم ایده آل می کند. کابل کنترل مکانیکی PHIDIX که در اندازه های استاندارد OEM یا پیکربندی های سفارشی موجود است، می تواند برای تناسب با الزامات خاص سفارشی شود و انعطاف پذیری را برای طیف گسترده ای از کاربردها فراهم می کند.

یکی از ویژگی های برجسته کابل کنترل مکانیکی PHIDIX، توانایی آن در کارایی در محدوده دمایی معمول -65 درجه فارنهایت تا 230 درجه فارنهایت است. این تحمل حرارتی چشمگیر به آن اجازه می دهد تا در محیط های شدید، از شرایط سرد در فضای باز تا محیط های صنعتی با گرمای بالا، به طور قابل اعتماد عمل کند. ساختار قوی کابل با انتخاب اتصالات کابل، از جمله گزینه های مفصل کروی، چنگال و انتهای میله، تکمیل می شود و روش های اتصال ایمن و سازگار را برای سیستم های مکانیکی متنوع مناسب می کند.

کابل کنترل مکانیکی PHIDIX که در رنگ های زنده مانند سبز، مشکی و قرمز موجود است، نه تنها مزایای کاربردی را ارائه می دهد، بلکه شناسایی بصری و ایمنی را در طول نصب و نگهداری افزایش می دهد. مناسبت های کاربردی آن در صنایع متعددی از جمله خودرو، هوافضا، دریایی و ماشین آلات صنعتی گسترش می یابد، جایی که کنترل طناب مکانیکی دقیق حیاتی است. چه برای کنترل دریچه گاز، ترمز یا سایر اتصالات مکانیکی استفاده شود، این کابل عملکردی روان و پاسخگو را ارائه می دهد.

کابل کنترل طناب مکانیکی PHIDIX در سناریوهایی که نیاز به فعال سازی مکانیکی قابل اعتماد و دقیق دارند، برتری دارد. این کابل معمولاً در تجهیزات سنگین، ماشین آلات کشاورزی و ساخت خودروهای سفارشی استفاده می شود، جایی که راه حل های قوی کنترل طناب مکانیکی برای کارایی و ایمنی عملیاتی ضروری است. علاوه بر این، اندازه قابل تنظیم و گزینه های اتصال آن را برای پروژه های مهندسی نوآورانه و کاربردهای بازسازی مناسب می کند.

به طور خلاصه، کابل کنترل مکانیکی PHIDIX به عنوان یک انتخاب با کارایی بالا برای نیازهای کنترل کششی مکانیکی و کنترل طناب مکانیکی برجسته است. ترکیب مواد بادوام، تحمل دمایی گسترده، اتصالات قابل تنظیم و طیف وسیعی از گزینه های رنگی آن را به یک جزء ضروری در سناریوهای مختلف پرتقاضا تبدیل می کند و کنترل مکانیکی قابل اعتماد را در شرایط عملیاتی متنوع تضمین می کند.


سفارشی سازی:

در PHIDIX، ما خدمات سفارشی سازی جامع محصول را برای کابل کنترل مکانیکی خود ارائه می دهیم که برای برآورده کردن نیازهای خاص شما طراحی شده است. راه حل های کابل کششی مکانیکی ما شامل گزینه های مختلف اتصالات کابل مانند مفصل کروی، چنگال، انتهای میله و موارد دیگر است که سازگاری و سهولت نصب را تضمین می کند.

ما کابل های کنترل کششی مکانیکی را در اندازه استاندارد OEM یا ابعاد سفارشی ارائه می دهیم تا کاملاً با برنامه شما مطابقت داشته باشد. هر کابل کششی مکانیکی یک مونتاژ مهندسی سفارشی است که با استفاده از موادی که طبق الزامات شما انتخاب شده اند، ساخته می شود تا دوام و عملکرد را تضمین کند.

کابل کنترل مکانیکی ما برای مقاومت در برابر محدوده دمایی معمول -65 درجه فارنهایت تا 230 درجه فارنهایت ساخته شده است و آن را برای محیط های عملیاتی متنوع مناسب می کند. برای سفارشی سازی کابل کششی مکانیکی قابل اعتماد و با کیفیت بالا که مطابق با مشخصات دقیق شما تنظیم شده است، به PHIDIX اعتماد کنید.


پشتیبانی و خدمات:

کابل های کنترل مکانیکی ما برای ارائه کنترل دقیق و قابل اعتماد برای طیف گسترده ای از سیستم های مکانیکی طراحی شده اند. برای اطمینان از عملکرد بهینه و طول عمر کابل های کنترلی خود، لطفاً دستورالعمل های نصب و نگهداری ارائه شده در دفترچه راهنمای محصول را دنبال کنید.

برای نصب، اطمینان حاصل کنید که مسیر کابل عاری از خمیدگی های تیز و گره خوردگی است و در صورت لزوم کابل به درستی روغن کاری شده است. از قرار گرفتن در معرض محیط های خورنده خودداری کنید مگر اینکه کابل برای چنین شرایطی مشخص شده باشد.

بازرسی منظم کابل برای علائم سایش، خوردگی یا آسیب توصیه می شود. در صورت مشاهده هرگونه نقص، کابل را بلافاصله تعویض کنید تا از خرابی در حین کار جلوگیری شود.

تیم پشتیبانی فنی ما برای کمک به عیب یابی، مشاوره نصب و مشخصات محصول در دسترس است تا به شما در انتخاب کابل مناسب برای برنامه خود کمک کند.

ما همچنین راه حل های کابل سفارشی و خدمات تعمیر را برای برآورده کردن نیازهای کنترل مکانیکی خاص شما ارائه می دهیم.

لطفاً قبل از استفاده به اسناد دقیق محصول و دستورالعمل های ایمنی مراجعه کنید تا از عملکرد ایمن و مؤثر کابل های کنترل مکانیکی اطمینان حاصل کنید.


سوالات متداول:

سوال 1: چه کاربردهایی برای کابل کنترل مکانیکی PHIDIX مناسب است؟

پاسخ 1: کابل کنترل مکانیکی PHIDIX برای کاربردهای مختلفی از جمله خودرو، دریایی، ماشین آلات صنعتی و تجهیزات کشاورزی که نیاز به کنترل مکانیکی دقیق دارند، ایده آل است.

سوال 2: چه موادی در ساخت کابل کنترل مکانیکی PHIDIX استفاده می شود؟

پاسخ 2: کابل کنترل مکانیکی PHIDIX دارای هسته های سیم فولادی با کیفیت بالا با روکش های بیرونی بادوام ساخته شده از مواد مقاوم در برابر خوردگی برای اطمینان از طول عمر و عملکرد قابل اعتماد است.

سوال 3: چگونه طول صحیح کابل کنترل مکانیکی PHIDIX را برای برنامه خود تعیین کنم؟

پاسخ 3: برای تعیین طول صحیح کابل، فاصله کل بین اهرم کنترل و جزء فعال شده، از جمله هرگونه خمیدگی یا مسیرهای مسیریابی را اندازه بگیرید. PHIDIX همچنین گزینه های طول سفارشی را برای الزامات خاص ارائه می دهد.

سوال 4: آیا کابل کنترل مکانیکی PHIDIX به راحتی نصب می شود؟

پاسخ 4: بله، کابل کنترل مکانیکی PHIDIX برای نصب ساده با اتصالات استاندارد سازگار با اکثر سیستم های کنترلی طراحی شده است. دستورالعمل های نصب برای کمک به راه اندازی صحیح ارائه شده است.

سوال 5: آیا کابل کنترل مکانیکی PHIDIX می تواند در محیط های سخت به طور کارآمد عمل کند؟

پاسخ 5: کاملاً. کابل کنترل مکانیکی PHIDIX برای مقاومت در برابر شرایط محیطی سخت مانند رطوبت، گرد و غبار و نوسانات دما مهندسی شده است و آن را برای کاربردهای صنعتی و فضای باز پرتقاضا مناسب می کند.


محصولات توصیه شده
با ما در تماس باشید
تماس با شخص : Ms. lisa
تلفن : 13816744282
فکس : 86-021-37214610
حرف باقی مانده است(20/3000)